2m reissuantenni

 


Alkuhistoria

Sain idean tämän HB9CV-tyyppisen yagi-antennin rakentamiseen jo 1970-luvun puolivälissä Penan, OH1VT:n tekemän antennin innoittamana. Modifioin rakennetta vähän kompaktimmaksi mm. sijoittamalla vaiheistuslinjan konkkineen puomin sisään.Tarkoituksena oli saada pieneen tilaan mahtuva ja silti mahdollisimman tehokas suunta-antenni silloisten Tiistaitestien workkimiseen. Yleensä hakeuduin korkeille paikoille, joihin pääsy oli usein hankalaa. Siksi oli tärkeää, että asemakalusto kulki helposti mukana läpi risukkojen ja ryteikköjen. Antenni on suunniteltu max. 10 watin teholle, sitä suuremman tehon käyttö saattaa tuhota suhteellisen pienikokoisen sarjakonkan, joka on asennettu alumiiniprofiilin sisään. Kokoon taitettuna antenni on n. 30cm pituinen.

 
Rakenne

Yagin puomi on tehty 29cm pätkästä 15x15mm alumiiniprofiilia, jonka päihin on M3 ruuveilla kiinnitetty 4kpl juurestaan saranoituja matkaradion tai -TV:n teleskooppipiiskoja. Näitä löytyi ainakin siihen aikaan Saloran OH1AD- kerholle lahjoittamasta surplus-erästä, ovat ilmeisesti Salora Junior matka-TV:n antenneja. Profiilin läpi kulkee notkeasta 1mm2 kaapelista tehty vaiheistuslinja, joka on keskitetty kumiläpivienneillä. Syöttöpäässä on BNC-naarasliitin, johon syöttölinja kytkeytyy  sarjakonkan kautta. Konkan arvo asettuu välille 15 - 22pF, optimi löytyy kokeilemalla. Varsinaiset gamma-elementit tulevat läpivientikumien kautta syöttöelementin ja heijastajaelementin vastakkaisille puolille. Ne on kiinnitetty teleskooppiantennien ensimmäisiin niveliin vanhoista lankavastuksista otettuihin keskiliukukontakteihin. Konkan juottaminen oli hieman konstikas homma, mutta onnistui siten, että konkka on juotettu syöttölinjan kulmaan ennen sen pujotusta profiilin sisään, konkan toiseen piuhaan on tehty pieni silmukka, joka juotettiin liittimeen sen kiinnittämisen jälkeen pitkänokkaisella juottimen kärjellä. Kaikki liitokset on varmennettu epoksihartsilla lukitsemalla.


Viritys

Virittäminen oikealle taajuudelle tapahtuu teleskooppipiiskojen pituutta säätämällä. Kun oikeat mitat ovat löytyneet, lukitaan uloimmat piiskojen päät juottamalla, tällöin ne tulevat ulosvedettyinä aina oikean mittaisiksi. Gammasyöttöjen oikeat kohdat löytyvät SWR-mittauksella, kun sovitus on optimaalinen, on SWR pienimmillään. Kun oikeat kohdat on löydetty, kannattaa ne lukita juottamalla ja vahvistaa epoksihartsilla. Piiskojen saranakohtiin olen lisännyt PVC-letkun pätkät, kun ne on vedetty saranan päälle, ei nivel pääse liikkumaan tuulessa tai osuessaan johonkin. Gammaelementit kannattaa oikoa mahdollisimman suoriksi ennen käyttöä.


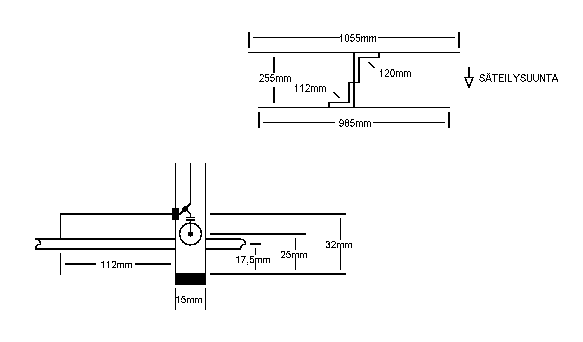
Mittoja

Puomi, 15mm neliöprofiili: 290mm
Teleskooppi, säteilijä: 485mm
Teleskooppi, heijastaja: 520mm
Piiskat etu- ja takareunasta: 17,5mm
Elementtien väli: 255mm
Gamma, säteilijä: 112mm
Gamma heijastaja: 120mm
Liitin etureunasta: 25mm
Gamman läpivienti etu- ja takareunasta: 32mm

Suuntavahvistus: n.4,2 dBd
Etu- takasuhde: >20dB

Teleskooppipiiskojen ollessa tyvistään paksumpia ja päistään ohuempia, niistä tulee hieman pitempiä kuin tasavahvuisesta materiaalista tehtynä. Piiskojen päissä olevat muovinupit vaikuttavat nekin osaltaan kokonaispituuteen. Kuvan mitat ovat suuntaa antavia eivätkä ole mittakaavassa.

Kuvat näkyvät hieman suurempina klikkaamalla. 



Antennin mitat



Antenni avattuna


Antenni kokoontaitettuna



Gammasyöttö



Syöttöpää


Uloin pää


Gammakonkka

 

Etusivulle